The 104LW01 is a high-power frameless torque motor delivering 1.8 N·m rated torque and 5.4 N·m peak torque at 3000 RPM, operating at 48 VDC, ideal for robot arm joints and high-performance direct-drive applications.
Frameless Torque Motor 104LW01
Frameless Torque Motor 104LW01 is engineered for robotic joint and automation systems where high speed, high power density, and direct-drive integration are critical. Powered at 48 VDC, it reaches 3000 RPM while maintaining 1.8 N·m rated torque and 5.4 N·m peak torque, enabling accurate and stable motion control.
The motor features a 10 pole-pair configuration with optimized electrical characteristics:
Rated Current: 13 A
Peak Current: 40 A
Resistance: 0.13 Ω
Inductance: 0.17 mH
Back-EMF Constant: 9.55 Vrms/krpm
With an outer diameter of 104 mm, 27 mm height, and 726 g weight, the 104LW01 is ideal for robot arm joints, direct-drive actuators, and integrated motion systems requiring high dynamic performance and reliability.

This specification table presents the fundamental electrical and mechanical characteristics required for proper application and system integration. Rated values indicate continuous operating conditions, while additional parameters highlight peak capabilities, performance limits, and control requirements. These specifications serve as essential design references for engineers evaluating compatibility, load conditions, and performance expectations.
| Rated Voltage | Rated Speed | Rated Current | Rated Torque |
|---|---|---|---|
|
48 VDC |
3000 RPM | 13 A | 1.8 N·m |
| Rated Power | Peak Torque | Peak Current | Pole Pairs |
| 566 W | 5.4 N·m | 40 A | 10 |
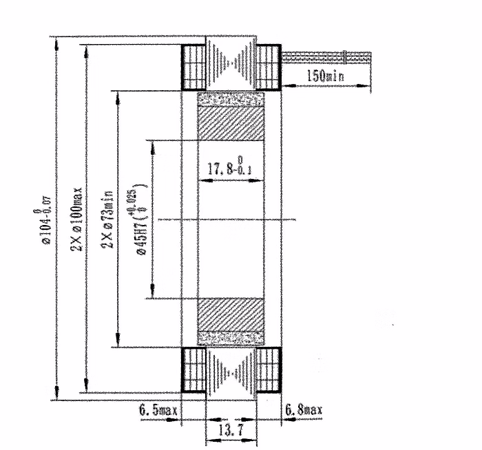
The outline drawing provides the complete mechanical dimensions and installation interfaces for this product. It includes key measurements such as outer diameter, mounting points, shaft or bore sizes, tolerances, and required clearances to ensure correct fitment. These dimensions support accurate system design, housing layout, and seamless integration into a wide range of mechanical assemblies.

Whether you’re designing a smart system, sourcing motors, or exploring OEM options, we’d love to talk.
Fill out the form below or email us.
Our engineers and sales team are ready to provide expert advice and support.
Your message has been received — our team will get back to you soon.